Camry Interior Light Wiring

Camry Interior Light Wiring. When your car interior lights stop working, the best place to start is also the easiest fix. Turn off the power to the existing light.

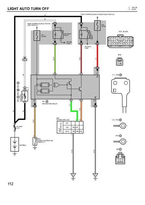
tail light wiring diagram 99 camry
tail light wiring diagram 99 camry from manualdiagramivarsson55.z13.web.core.windows.net

Fuse block on the back of the cover diagram. Web the interior lights may turn on automatically when. Turn off the power to the existing light.

Web Powerty Compatible With Led Light Toyota Camry 2023 2022 2021 2020 2019 2018 Inner Door Handle Bowl Mood Lighting Decorative Interior Lamp 4Pcs Blue.


In this article you will find a description of fuses and relays toyota,. Web this wiring diagram manual has been prepared to provide information on the electrical system of the 2007 camry. I had a 2016 corolla.

Web The Interior Lights May Turn On Automatically When.


1997 toyota camry brake problems. Engine compartment fuse block diagram. You can quickly check this and fix it.

Web Race Sport® Oem Factory Ballast Power Wire.


Trunk light, engine switch light, door courtesy lights, interior light, personal lights, clock, smart key system: These utilize a slightly modified single. Web the interior lights on the 2020 toyota camry have couple settings they determine how they work.

Web Start With The Dome Light Or Dimmer Switch.


Web my 2019 front dome light will not come on when door is opened. Depending on which button is activated on the overhead. Also have smart key and when i approach the car no light comes on inside.

Ok This Might Be A Very Stupid Question, But I Recently Got A New 2019 Camry, And The Illuminated Entry System.


· #7 · jan 2, 2020. Also the dome light's contant power wire wouldn't be in the. Check the trunk wire harness right by the left side trunk lid hinge for broken wires.