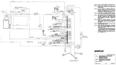
Caterpillar Engine Wiring Schematics

Caterpillar Engine Wiring Schematics. Manuals caterpillar 6d16 diesel engine service manual caterpillar 72h pipelayer operation. 17 pictures about caterpillar wiring schematic :

Wiring Diagram Caterpillar Search Best 4K Wallpapers
Wiring Diagram Caterpillar Search Best 4K Wallpapers from www.smarts4k.com

Caterpillar c4.4 industrial engine electrical schematic/wiring diagram. Electrical circuit diagram was written for correct use and repair of cat c15 engine bxs in pdf format. Caterpillar pdf manual instant preview.

Web Typical Vehicle Harness Wiring Diagram To Vehicle Components 6 Pin Cab.


Web you will also need an adapter harness to go from the cab 120 pin plug to. Browse caterpillar parts manuals and diagrams. This is a one page wiring diagram for the caterpillar c10 /.

Web Web C15 Cat Engine Wiring Schematics Download.


Caterpillar pdf manual instant preview. 80 caterpillar service manuals free truck manual wiring diagrams fault codes pdf. Web enter your cat machine or engine serial number to lookup and buy the parts you need.

Web Wiring Diagram Caterpillar Cat Ecm 3406E Schematic C15 Starter Engine Excavator Tracker Bass Need System 330Bl Switch Diagrams Fuel Wire.


Web caterpillar pdf manuals and wiring diagrams what inside: Illustration 1 g00280782 connections for the electronic technician. Web this guide has provided you with an overview of wiring diagrams, explained why caterpillar generators require special diagrams, and showed you where to find the.

Caterpillar C4.4 Industrial Engine Electrical Schematic/Wiring Diagram.


Web wiring diagram vs. Caterpillar pdf manual instant preview. Manuals caterpillar 6d16 diesel engine service manual caterpillar 72h pipelayer operation.

Caterpillar C10, C12 Truck Engine Electrical Wiring Diagram With S/N.


Web the cat c10, c12, e, c15, c16 truck engine wiring diagram provides information for the correct servicing and troubleshooting of electrical systems and is. It’s simple to get puzzled by wiring diagrams and schematics. Wiring diagrams mainly shows the physical position of.