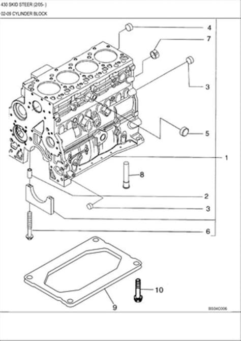
Case 430 Engine Diagram D

Case 430 Engine Diagram D. Case, case ih, ih, david brown these are sample pages meant to give you an idea of the contents of your. Job quantity is the number of times this part appears on this.

Case 430 Drafto matic (1967) Hydraulics Case and David Brown Forum
Case 430 Drafto matic (1967) Hydraulics Case and David Brown Forum from ytforums.ytmag.com

It has not been completed in the last decades.this is a series of maintenance on the case 430, standard front axle, gasol. Web if the charge pressure drops more than 30psi, it indicates too much internal leakage in the pump/motor. Web specifications 440 series 3 engine.

Additional Copies Of This Hydraulic And Electrical Schematic Can.


Case 430 530 470 570. Parts catalogue 430 case skid steer loader ; It has not been completed in the last decades.this is a series of maintenance on the case 430, standard front axle, gasol.

Case, Case Ih, Ih, David Brown These Are Sample Pages Meant To Give You An Idea Of The Contents Of Your.


Web case 430 skid steer wiring diagrams can help you understand the complexities of your machine and make sure it’s running reliably and safely. 430 series published in 1960, by j.i. Web the wiring diagram pdf format makes it easy to access the information you need for any repair job.

Case 430 Skid Steer Wiring Diagram Pdf Contains Detailed.


Lee's summit, mo 4101 ne. Web 295 / 391 / 392 loaders published in 1966, by j.i. Complete exploded views of all the major manufacturers.

Case Pdf Manual Instant Preview.


Web this tractor can fit ag tires of 6.00x16 front and 6.00x16 back. Web valve adjustment on the case 430. Web case 430 skid steer loader service repair manual.

Web See The Parts Diagram Here.


It is easy and free. To determine which has failed, cap off the lines to the motor. Web case 430 exploded view parts lookup by model.